Частотный преобразователь низких и высоких частот для сабвуфера
Хорошая и громкая музыка в салоне автомобиля – этого хотят многие автолюбители, особенно молодежь. Но существует некоторая проблема, далеко не каждая машина уже оборудована качественной аудиосистемой. Поэтому в этой статье мы постараемся в полной мере и доходчиво рассказать, как можно самостоятельно выполнить подключение сабвуфера к штатной магнитоле, к той, какая у вас уже имеется, установленная заводом изготовителя.
Правда хочется сразу оговориться. Что если вы решили сами выполнить всю работу и подключить активный сабвуфер, то ответственность будет лично на вас. Но не надо испытывать излишних страхов, если ваши руки могут держать отвертку и пассатижи, то подключение усилителя к штатной магнитоле, будет вам по силам.
Блок фильтров низкой частоты
ФНЧ срезает частоты, которые не нужны, передает на входной канал усилителя только низкочастотные колебания звуковой частоты. Многие фильтры срезают сигналы меньше 20 Гц и больше 200 Гц, при этом остается бас, который слышен из сабвуфера.
Базовые виды фильтров низких частот:
- Активный;
- Пассивный;
Фильтр пассивного вида включает в себя только резисторы и емкости.
Фильтры не имеют в составе компоненты усиления. Главное преимущество фильтра – это конструктивная простота, малое число компонентов.
Фильтры низких частот имеют негативную сторону. Проходящий через фильтр звук уменьшает громкость, и на выходе остается слабый сигнал, требующий усиления. Для усиления такого сигнала применяют усилитель, после которого сигнал идет на главный усилитель.
Фильтры пассивного вида производят первого порядка. Во втором каскаде фильтрации нет смысла, так как сигнал звука после него уменьшается в десятки раз.
Фильтры активного вида включают в себя пассивный фильтр и усилитель частот звука, который восполняет потери от фильтра, усиливает звук на выходе. ФНЧ можно изготовить с помощью одного транзистора. Фильтры изготавливаются на микросхемах, применяются усилители звука малой мощности.
Главное преимущество фильтра низкой частоты состоит в обеспечении высокого сигнала выхода, в регулировке частот необходимого интервала. Фильтры подключают к питанию. На главном трансформаторе создают обмотку питания фильтра.
Большое число радиодеталей, сложная схема являются вторым недостатком фильтров низкой частоты.
Как подключить сабвуфер к штатной магнитоле, без линейных выходов
Есть желание слушать во время езды любимых исполнителей, есть автомагнитола, но она, к сожалению, не дает желаемого эффекта, музыка играет, но хотелось бы чего-то более мощного. Для этого и нужен сабвуфер, но подключение саба все-таки сопровождается некоторыми трудностями. На него, как и на любой другой усилитель, нужно подать питание, а также подключить и кабель, по которому будет передаваться аудиосигнал.
И вот тут, если вы, не продвинутый радиолюбитель, можно зайти в тупик, потому что в автомагнитоле вы не находите ни одного отверстия, куда можно было бы подключить желаемый усилитель.Появляется закономерный вопрос можно ли вообще, и если возможно, то, как подключить усилитель к штатной магнитоле?
1) Приобретение новой магнитолы
Первый способ хорош для тех, кто плохо разбирается в радиоделе, но не имеет особых ограничений в денежных средствах. Надо просто пойти в автомагазин и приобрести новую магнитолу, более современную, и вполне возможно, что все вопросы решатся сами собою. Этот способ действительно неплохой, но требует соблюдения некоторых формальностей. Например, ваше авто должно поддерживать покупаемое штатное головное устройство. Также в магнитоле должна быть функция поддержки, чтобы подключаемый сабвуфер работал, и давал прекрасный звук. Ну и последний немаловажный пункт – это стоимость головных устройств, с современным кризисом их цена подпрыгнула до цены космических кораблей.
У этого раздела есть один скрытый плюс, установив магнитолу 2DIN у вас появится возможность подключить камеру заднего вида.
2) Обратиться к радиолюбителям
Итак, если вы не миллионер, и к тому, же не очень хорошо разбираетесь в проводах, то для вас наилучшим выходом будет обращение за помощью к опытным радиолюбителям.
Найти их можно в небольших мастерских. Некоторые специалисты буквально за считаные минуты, у вас на глазах, разберут вашу магнитолу, припаяют дополнительные провода и выведут их наружу RCA разъёмы. Схема простая, но на все 100% рабочая. Вы уже дальше сами сможете на выведенные контакты подключить усилитель или сабвуфер. Если мастер хороший, то он обеспечит вам не только прекрасный звук, но и полную безопасность в салоне машины.
3) Установить линейный преобразователь
Следующий вариант подходит для тех людей, которые сами плохо разбираются в тонкостях радиодела, но не хотят обращаться к другим. В данной ситуации лучший выход покупка преобразователя уровня. Именно через него и можно будет соединить между собою два прибора, головное устройство без нужных нам выходов и сабвуфер, или усилитель. Купить данный преобразователь можно в любом магазине автозвука. Сам этот прибор простой, и поэтому не будем вникать в его внутренний мир, а вот снаружи у него с одной стороны два тюльпана (так называются аудиоразъемы – RCA), а с другой — четыре провода.
Справиться с подключением преобразователя может даже школьник, главное не перепутать контакты, плюс и минус присоединяются к правому динамику, оставшиеся два проводка подключаются к левому динамику. Более наглядно это можно увидеть изучив схему подключения магнитолы. На этом все, ваши высокоуровневые частоты превращаются в низкоуровневые, и вы в полной мере, насколько это, возможно, наслаждаетесь музыкой. И еще один немаловажный момент, что вследствие подобного подключения вся ваша электроника будет в полной безопасности.
4) Выбирать усилитель или сабвуфер с низкоуровневым входом
Последний вариант, пожалуй, самый простой, но опять-таки все упирается в деньги. То есть, имея определенную сумму на руках, вы снова идет в магазин электроники, и покупаете так называемый активный сабвуфер или усилитель с низкоуровневым входом. Также, не вникая в принцип его работы, отмечаем, что в этом аппарате линейный преобразователь уже встроен. Вы его подключаете согласно инструкции к динамикам и наслаждаетесь музыкой.
Полезная статья: «Как выбрать автомобильный усилитель» здесь мы подробно расскажем на что стоит обратить внимание выбирая усилитель для вашей аудиосистемы.
Как видите, в принципе, ничего сложного, даже в самом сложном варианте нет. Имея пару инструментов и ровные руки, можно все сделать самостоятельно. Необязательно тратить много денег, и не надо каких-то специальных знаний, нужно просто желание, и музыка в вашем салоне будет звучать всегда!
Теперь вам известны все способы как можно взять сигнал с магнитолы, которая не имеет линейных выходов, рекомендуем к прочтению следующую статью «как правильно подключить усилитель».
Виды преобразователей частоты
Изобретение частотных преобразователей стало прорывом в приводах электрической машины. Изменился подход в конструировании систем приводов двигателей. Когда создавали сложную конструкцию регулирования значений момента и скорости, то за основу брали двигатели, работающие на постоянном токе. Автономные инверторы тока с двигателями переменного тока вытеснили моторы постоянного тока.
В электрических приводах двигатели короткозамкнутые, вытеснили двигатели с последовательным возбуждением постоянного тока.
Классы преобразователей частоты
Прибор, изменяющий напряжение определенной частоты входа в напряжение с другой частотой является преобразователем частоты.
- Двухзвенные.
- Непосредственные.
Реверсивный частотник – непосредственный класс прибора. Преимущество состоит в прямом подключении без дополнительных сетевых приборов.
Тиристорный, транзисторный частотник – это двухзвенный инвертор. Он отличается от непосредственного инвертора. Для безопасной эксплуатации ему нужно звено постоянной величины. Для соединения с сетями общепромышленного вида нужен выпрямитель. Выпрямитель, частотник комплектуют совместно, для дальнейшей работы в одной управляющей системе.
Двухзвенные инверторы
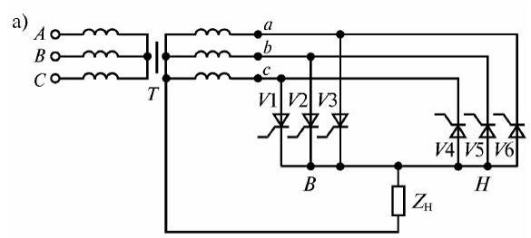
Преобразователь частоты, с фильтром, выпрямителем, созданный с инвертором с токовым звеном, называется двухзвенным.
ЭМ – машина электрическая, АИН – инвертор автономного типа, Lф, Сф, — емкость и индуктивность, fнз – выходная частота, udз – выходного напряжения при применении выпрямителей, СУВ, СУИ – управляющие системы, uнз – определение напряжения, В – выпрямитель. Включенные связи изображены пунктиром, зависят от типа прибора.
Чтобы улучшить сглаживание и качество энергии применяют фильтр LC. Схема подключения Г-образная. В схеме применяют сдвиг фаз, обмотки трансформатора включают в звезду и треугольник.
Эта схема подключения имеет высокую стоимость, используется совместно с индивидуальным трансформатором.
Выпрямительный блок бывает управляемым и неуправляемым. При управляемом выпрямителе опция регулировки напряжения достается ему или автономному инвертору. Выпрямитель должен иметь реверс и полное управление для осуществления рекуперации электроэнергии (двухкомплектный). Управление инвертором осуществляется методом импульсов. Широко применяемые способы – широтно-импульсные.
Автономные частотники используются в большей степени.
АИТ – автономный токовый инвертор, СУИ, СУВ – управление частотниками, УВ – управляемый блок выпрямителей, Lф – индуктивность, fнз – частота на выходе, іdз – ток на выходе звена постоянного тока.
В автономном частотнике выходная величина – это напряжение. В автономном токовом частотнике ток — регулируемое значение. Частота коммутации имеет значение в образовании сигнала выхода заданной частоты. При повышении частоты улучшается качество синусоиды, увеличиваются потери в инверторе.
Результат работы модели инвертора на транзисторах при разных коммутационных частотах:
Частота коммутации 800 Гц
Коммутационная частота 2000 Гц
Частота коммутации 8000 Гц
Уменьшение частоты ухудшает качество тока выхода. Частоту коммутации определяют, чтобы не было пульсаций.
Индуктивность подключена последовательно, емкость параллельно. Работа инвертора образует гармоники, для их снижения применяют фильтры.
Линейный преобразователь для подключения сабвуфера
Линейный преобразователь — что это и какие бывают
Линейный преобразователь или конвертер уровней, занимается тем, что превращает высокоуровневые частоты электрического сигнала в низкоуровневые. Зачем нам это нужно? Да только лишь за тем, что с его помощью мы можем подключить сабвуфер к штатной (или какой-либо другой) магнитоле не имеющей rca выходов, или по-русски — тюльпанов. Сразу же стоит сказать, что подключать через самый бюджетный, аналоговый преобразователь что-либо кроме сабвуфера настоятельно не рекомендуется. Результат вас огорчит. Сильно. Полоса пропускания сигнала у них очень узкая и качество сигнала на выходе оставляет желать лучшего. Для динамиков средних и высоких частот — это неприемлемый уровень сигнала, а для басовика — достаточный. Если вы хотите, по какой-либо причине (та же нехватка rca выходов, например), подключить всю акустическую систему через никоуровневый преобразователь, то раскашельтесь пожалуйста на цифровой (стоит около 2 т.р. в 2021 году). С пропускной способностью сигнала там все нормально и динамики играть у вас будут качественно. Еще в нем обязательно должен присутствовать провод rem (в цифровом за пару тысяч деревянных он будет присутсвовать уж наверняка), обычно он синего цвета. Нужен он для включения нашего сабвуфера вместе с магнитолой, чтобы нам не пришлось что-то выдумывать, колхозить и тянуть провод к acc (замку зажигания). В общем, чтобы жилось нам комфортнее. Теперь рассмотрим наши преобразователи по-подробнее, а затем перейдем к подключению
Аналоговые выглядят примерно так:
Аналоговые линейные конверторы
А это цифровые конверторы уровня:
Цифровые линейные преобразователи
Схема подключения линейного преобразователя к штатной магнитоле для подключения сабвуфера
Итак, с назначением мы разобрались, нам линейный преобразователь нужен для того, чтобы придать нашей магнитоле парочку rca выходов, или даже две. Через которые мы сможем подключить наш сабвуфер или еще что-нибудь там, вроде усилителя звука. Подключение его — процесс абсолютно бесхитростный, вот схема:
Схема подключния линейного преобразователя
L+ — это у нас плюс левого динамика L- — это минус левого динамика R+ — соответственно, плюс правого динамика R- — соответственно, минус правого динамика GND — это провод заземления или минус B+ — это питание, или просто + (иногда 12v+) Ну и REM — провод автоматического включения нашего сабвуфера
Вот, собственно и все, что нужно знать про подключние линейного преобразователя или конвертора уровней к нашей магнитоле, а затем и к сабвуферу. Под конец материала предложу вам посмотреть ролик от ютуб-канала «Модерн Автомузыка» про выбор линейного преобразователя и его назнечение.
Непосредственный частотник
Напряжение сети идет по вентилям управления электрической машины. На фазах подключены частотники с реверсом.
Инвертор низкой частоты изменяет 3-фазное напряжение в 1-фазное. В и Н комплекты включаются, на выходе напряжение двухполярное. Чтобы управлять инвертором применяют законы синуса и прямоугольника.
При прямоугольном законе порядок действия следующий. Полуволна напряжения проходит, на комплект идут импульсы. Комплект работает как выпрямитель с углом опережения. Для уменьшения тока переходят в режим инвертора. Ток снижают, чтобы не было замыкания в частотнике. После паузы вступает комплект №2.
При управлении с синусом выходное напряжение меняется по синусу, а управляющий угол постоянно меняется.
Сабвуферный усилитель в автомобиль
Качественный усилитель на 100 ватт в автомобиль для сабвуфера, собранный на микросхеме ТДА7294, имеет мощность выше, чем на микросхеме ТДА1562 (на 50 Вт). В усилителе используют преобразователь на 12 вольт на две колонки по 40 Вт. В нем фильтр низких частот, размещен на плате с одной стороны, в схеме три блока.
Фильтр-корректор для сабвуфера в акустическом оформлении «закрытый ящик».
Разработка и настройка специализированного фильтра-корректора для сабвуфера ЗЯ 100литров из недавнего обзора. Актуально для любых сабвуферов ЗЯ. 1.
Суть проблемы. После постройки саба 100л суммарная АЧХ (саб+стереопара Heco) получилась вот такая:

Насладившись «низами», пришёл к выводу, что необходимо подровнять суммарную АЧХ (убрать «горб» на 56 Гц). До этого времени в качестве корректирующего фильтра использовался ФНЧ 1-го порядка (R2, C1, Rвх на схеме)
Потратив немало времени в симуляторе Multisim10 в попытках оптимизации, пришёл к неутешительному выводу: для данной задачи недостаточно крутизны 6 дБ/окт.
Первое, что снова пришло на ум — трансформатор Линквитца.
Две точки на характеристике 24 Гц и 48 Гц (ровно октава): разница всего 6 дБ. Вывод: недостаточно, т.к. всего 6дБ на октаву.
Операционный усилитель, двуполярное питание, элементы с экзотическими номиналами. И всего 6дБ на октаву. Что есть более «крутое»? Ответ очевиден…
ФНЧ 2-го порядка со спадом 12 дБ/октаву.
При соотношении резисторов ОС 10кОм/7,5кОм получается АЧХ 12дБ/окт:
Чтобы определить требуемое усиление в канале саба, сначала была собрана (в симуляторе) эквивалентная схема:
После первого усилителя (на АС Heco) +20дБ, после 2-го усилителя (на входе саба) +32дБ при F=40Гц.
Поскольку кФНЧ планируется подключать до 1-го усилителя, то необходимо усиление примерно +32дБ. В результате появилась эскизная схема:
На ОУ U2 собран инвертирующий сумматор каналов. Он же является дополнительным усилителем. Диоды — для защиты входа ОУ от перегрузки при бросках напряжения по входам.
Полоса пропускания кФНЧ 24Гц (-3дБ):
Таким образом, сабвуферу отводится диапазон частот от 24 до 50 Гц, т.е. используется наклонный участок АЧХ.
Именно этим наклоном ФНЧ отличается от типичного сабвуферного канала, где частота среза лежит в диапазоне 100Гц и выше.
А вот и ложка дёгтя: переходной процесс при подаче тональной посылки 40Гц на вход кФНЧ
Задержка 9,7 мс !
На 2-м и 3-м периоде на выходе получается противофазный сигнал. Да, инверсия фазы помогает, но это суррогатное решение проблемы.
Добавилось: — переменный резистор 100кОм в цепи ООС сумматора U2 — сдвоенные переменный резистор 50кОм в обвязке U1 (регулировка частоты среза) — инвертор сигнала U3 — переключатель J1 (на схеме в положении «инверсный сигнал»)
Присутствует всего один разделительный конденсатор 22 мкФ на выходе схемы. Я использовал ОУ К544УД1А, поэтому на выходе набежало 25 мВ, которые необходимо было отсечь.
Реализация схемы в «железе». Неиспользуемый предварительный усилитель был использован в качестве донора корпуса и блока питания.
Вот он попал в кадр вместе с сабом Magnat (незадолго до продажи).
Печатная плата с кучкой ОУ (в корпусе справа) — от несостоявшегося проекта ЭАОС:
Незадействованные узлы попросту отключил от БП. Места достаточно. ))
Настройка схемы и замеры. Проверка кФНЧ розовым шумом (без саба и УМ):
Далее проверяется связка кФНЧ-УМ-саб (замер микрофоном около 1м):
Норм.
Первое включение (стереопара Heco + саб с кФНЧ; расстояние замеров около 1м):
Послушал немного музыку: многовато НЧ.
Микрофон был перемещён в точку прослушивания (примерно центр комнаты). И далее все замеры проводились для этой точки прослушивания.
кФНЧ во время настройки:
Нижний усилитель — Амфитон-У-101М, в котором используется один канал (для саба). Верхний усилитель — Амфитон-У-002 версия 2021, работающий на стереопару Heco.
Процедура настройки:
1. Включить замер АЧХ розовым шумом для стереопары АС при отключенном сабе. И определить уровень звукового давления для 1 кГц.
2. Подключить саб вместе с кФНЧ (режим «с инверсией сигнала») без стереопары:
АЧХ розовым цветом — стереопара Heco (без саба) АЧХ жёлтым цветом — саб вместе с кФНЧ
Пометки зелёным цветом на графиках: уровень -56дБ на 1кГц для стереопары. И такой же уровень на частоте 40 Гц для саба (установить регулировкой).
Примечание: октавная шкала частот, усреднение 1/3 октавы.
3. Включить связку стереопара + саб & кФНЧ (режим «инверсия сигнала»). Суммарная АЧХ жёлтым цветом:
YES! Получилось. )))
Тут же АЧХ розовым цветом — только стереопара (без саба).
Дополнительный замер: кФНЧ в режиме «без инверсии сигнала», суммарная АЧХ жёлтым цветом:
Рядом график зелёным цветом — АЧХ стереопара + саб и кФНЧ (режим «инверсия сигнала»).
Выводы: — результат прослушивания: всё OK, тональный баланс пришёл в норму — корректирующий ФНЧ, собранный всего на двух ОУ, справился с поставленной задачей (DSP не потребовался) — инвертор сигнала U3 в конечном итоге остался незадействованным
©
Всем удачных экспериментов.
Преобразователь сети сабвуфера
Прибор создан на драйвере КА7500. Существует блокировка перенапряжения, идет отключение, если на входе U больше 15 В. Защита недостающего напряжения уберегает от чрезмерного разряда, драйвер отключается при падении постоянного напряжения до 9 В.
Защита тока предотвращает от неисправностей транзисторов, защищает всю схему. Индикация диода зеленого цвета показывает работу в нормальном режиме, диод красного цвета сигнализирует отключение драйвера. Плавный пуск по схеме дает возможность плавно запустить преобразователь, хотя на выходе большие емкости.
Трансформатор можно изготовить самому, взять готовый от компьютера. Используются выходы на 12 и 5 В, коэффициент трансформации 2,4. Если подается напряжение 14 вольт на линию в 5 В, то получается больше в 2,4 раза. На линии 12 В выходит напряжение 33 В для питания усилителя. Частота тока переключения 50 Гц, изменяется установкой емкости.
Полевые транзисторы можно заменить мощностью выше 100 Вт на выходе.
Преобразователь для автомобильного сабвуфера.
Преобразователь напряжения – одна из основных частей автомобильных усилителей высокой мощности. Преобразователь напряжения обеспечивает нужные параметры питания для автомобильных усилителей высокой мощности. Любой электронщик знает, что от напряжения 12 Вольт (напряжение в бортовой сети автомобиля) не реально получить больше 18 ватт звуковой мощности на нагрузку 4 Ом, но для питания мощных сабвуферных головок 18 ватт явно мало, ведь иногда мощность головок по несколько тысяч ватт.
Преобразователь напряжения является блоком питания для усилителя и последующих частей (фильтр, сумматор, блоки предварительных усилителей и стабилизаторов). Для строения автомобильных усилителей малой мощности (80-120 ватт) можно использовать схему довольно простого, но хорошего двухтактного преобразователя, построенной на микросхеме TL494.
TL494 – двухтактный ШИМ контроллер, посключен по схеме генератора импульсов, частота которого определяется подбором компонентов цепи R3/C4. Советуется настроить генератор на частоту 45-60кГц.
Трансформатор мотается на подходящем по размерам кольце, в моем случае использовано ферритовое кольцо (импортное) от импульсного источника питания с мощностью 150 ватт. С таким сердечником, можно получить мощность 200-220 ватт, но я делал инвертор для усилителя на микросхеме TDA7294, следовательно, инвертор имеет двойной запас по мощности.
Силовые ключи серии IRFZ44, можно заменить на любые другие, к примеру IRFZ40/46/48, IRF3205, IRL3705 или на любые аналогичные. Номинальна мощность инвертора с указанными ключами составляет 150 ватт, максимальная мощность – 200. Если заменить полевые ключи на IRF3205, то легко можно снять выходную мощность 300 ватт с одной парой транзисторов, но возможно, придется подобрать сердечник с более большими размерами.
В качестве сердечника для импульсного трансформатора, можно использовать ферритовые кольца с проницательностью от 1500 до 3000НМ, оптимальный вариант 2000НМ – с ним гораздо меньше потерь в трансформаторе.
Первичная обмотка намотана 5-ю жилами провода 0,8 мм и состоит из 2х5 витков. Обмотка растянута по всему кольцу. Точно также мотается и вторичная обмотка, которая состоит из 13 витков, намотана тем же проводом, но количество жил всего три.
ВАЖНО! первичную и вторичную обмотку обязательно мотать в том же направлении. После намотки нужно сфазировать обмотки.
Первичная цепь, по сути, состоит из двух равноценных обмоток по 5 витков каждая. Теперь нужно подключить конец одной из этих обмоток к началу второй обмотки, место стыковки у нас и есть отвод от середины. Точно по такому же принципу подключаем и обмотки во вторичной цепи, там уже место стыковки , это средняя точка – GND
Входной дроссель может быть намотан на кольце феррита, состоит из 7 витков провода 1,5 мм. Обмотку дросселя можно мотать также и на кольцах из порошкового железа или ферритовом стержне с диаметром не менее 4мм и длиной от 25мм.
Выходные дросселя использовал готовые, от компьютерных блоков питания. Намотаны на стержнях (ферритовых) с длиной 2,5см и состоят из 8 витков провода 1мм.
Как установить преобразователь звука в машину
Линейный преобразователь, или преобразователь уровня, — это устройство, которое преобразует электрические сигналы высокой частоты в сигналы более низкого уровня. Зачем он нам нужен? Ну, просто потому, что с его помощью мы можем подключить сабвуфер к штатной (или любой другой) магнитоле, не имеющей rca-выходов, или по-русски «тулпан». Сразу следует сказать, что подключать что-либо, кроме сабвуфера, через самый бюджетный аналоговый преобразователь определенно не рекомендуется. Результатом будет разочарование. Глубина. Частотная характеристика очень узкая, а качество сигнала на выходе оставляет желать лучшего.
Для среднечастотных и высокочастотных динамиков это неприемлемый уровень сигнала, но для басовых динамиков он достаточен. Если вы по каким-то причинам (отсутствие rca-выходов, например) хотите подключить всю акустическую систему через нико-уровневый конвертер, то потратьте деньги на цифровой (в 2019 году он стоит около 2 тысяч рублей). С полосой пропускания сигнала все в порядке, и ваши колонки будут играть хорошо. Кроме того, у него должен быть провод rem (у цифрового за пару тысяч баксов он обязательно есть), и обычно он синий. Необходимо включить наш сабвуфер вместе с радио, чтобы нам не пришлось ничего выяснять, объединить и протянуть кабель к акк (зажиганию). В целом, чтобы сделать нашу жизнь более комфортной. Теперь давайте подробнее рассмотрим наши конвертеры, а затем перейдем к проводке
Аналоговые выглядят следующим образом:
Аналоговые линейные преобразователи
А это цифровые линейные преобразователи:
Цифровые линейные преобразователи
Схема подключения линейного преобразователя к штатной магнитоле для подключения сабвуфера
Итак, теперь мы знаем, что нам нужно, нам нужен линейный преобразователь, который даст нашему магнитофону несколько выходов rca или даже два. Через него мы можем подключить наш сабвуфер или что-то еще, например, усилитель звука. Подключение — это совершенно простой процесс, поэтому вот схема:
Схема подключения линейного преобразователя
Это все, что вам нужно знать о подключении линейного преобразователя или преобразователя уровня к нашему радио, а затем к сабвуферу. Наконец, я предлагаю вам посмотреть это видео с канала youtube «Modern Auto Music» о том, как выбрать и использовать линейный преобразователь.
Как подключить сабвуфер к штатной магнитоле, без линейных выходов
Вы хотите слушать любимых исполнителей за рулем, у вас есть автомобильное радио, но, к сожалению, оно не дает желаемого эффекта, музыка играет, но хотелось бы чего-то более сильного. Для этого необходим сабвуфер, но его подключение все же сопровождается некоторыми трудностями. Как и любой другой усилитель, его нужно включить и подключить кабель для передачи аудиосигнала.
И здесь, если вы не продвинутый любитель, вы можете оказаться в тупике, так как вы не можете найти в своей автомагнитоле отверстия, в которое можно подключить желаемый усилитель, возникает логичный вопрос, можно ли и как подключить усилитель к заводской магнитоле?
1) Приобретение новой магнитолы
Первый способ хорош для тех, кто не разбирается в радиотехнике, но не имеет особых денежных ограничений. Просто пойдите в автосалон и купите новую магнитолу, и проблема решится сама собой. Это действительно хороший вариант, но он требует соблюдения некоторых формальностей. Например, ваш автомобиль должен поддерживать оригинальное головное устройство, которое вы покупаете. Кроме того, радио должно поддерживать сабвуфер, чтобы работать и обеспечивать отличное звучание. И последний важный момент — стоимость радиоприемников, с современным кризисом их цена подскочила до цены космических кораблей.
У этой детали есть один скрытый плюс: установив радиоприемник 2DIN, вы сможете подключить камеру заднего хода.
2) Обратиться к радиолюбителям
Поэтому, если вы не миллионер и не разбираетесь в проводке, лучше обратиться за помощью к опытному радиолюбителю.
Их можно найти в небольших мастерских. Некоторые профессионалы разберут ваш радиоприемник за несколько минут, припаяют дополнительные провода и протянут их к разъемам RCA. Схема проста, но работает на 100%. К этим разъемам можно подключить усилитель или сабвуфер. Если вы хороший мастер, то это обеспечит вам не только отличный звук, но и полную безопасность в вашем автомобиле.
3) Установить линейный преобразователь
Следующий вариант подходит для людей, которые сами не очень хорошо разбираются в радиотехнике, но не хотят обращаться к другим. В этой ситуации лучшим решением будет приобретение преобразователя уровня. Именно с его помощью можно соединить два устройства: основной блок без необходимых выходов и сабвуфер или усилитель. Этот преобразователь можно приобрести в любом автомобильном магазине. Само устройство простое, поэтому мы не будем углубляться в его внутренний мир, но снаружи у нас есть две тюльпанные трубки (аудиоразъемы RCA) с одной стороны и четыре провода с другой.
С подключением инвертора справится даже школьник, главное не перепутать контакты, плюс и минус подключаются к правой колонке, остальные два провода к левой. Вы можете увидеть это более четко, изучив схему подключения радиоприемника. Вот и все, высокие частоты становятся низкочастотными, и вы можете наслаждаться музыкой по максимуму. И наконец, с такой комбинацией вся ваша электроника будет в безопасности.
4) Выбирать усилитель или сабвуфер с низкоуровневым входом
Последний вариант, пожалуй, самый простой, но опять же все упирается в деньги. То есть, имея на руках определенную сумму денег, вы снова идете в магазин электроники и покупаете так называемый активный сабвуфер или усилитель с низкоуровневым входом. Также, не вдаваясь в принцип его работы, отметим, что в это устройство уже встроен преобразователь линейного уровня. Вы подключаете его в соответствии с инструкцией к колонкам и наслаждаетесь музыкой.
Полезная статья: «Как выбрать усилитель для автомобиля» Здесь мы подробно расскажем вам, на что следует обратить внимание при выборе усилителя для вашей аудиосистемы.
Как видите, в принципе нет ничего сложного даже в самом сложном варианте. Имея несколько инструментов и крепкие руки, вы можете сделать его самостоятельно. Вам не нужно тратить много денег, вам не нужны специальные знания, все, что вам нужно — это желание, и музыка в вашем салоне будет звучать вечно!
Теперь вы знаете все способы получения сигнала с автомагнитолы, не имеющей линейных выходов, рекомендуем прочитать следующую статью «как правильно подключить усилитель».
Частотный преобразователь низких и высоких частот для сабвуфера
Прибор создан на драйвере КА7500. Существует блокировка перенапряжения, идет отключение, если на входе U больше 15 В. Защита недостающего напряжения уберегает от чрезмерного разряда, драйвер отключается при падении постоянного напряжения до 9 В.
Защита тока предотвращает от неисправностей транзисторов, защищает всю схему. Индикация диода зеленого цвета показывает работу в нормальном режиме, диод красного цвета сигнализирует отключение драйвера. Плавный пуск по схеме дает возможность плавно запустить преобразователь, хотя на выходе большие емкости.
Автомобильный сабвуфер: виды и конструктивные особенности
Сабвуфер (СБВ) — это акустическая система, которая преобразует звуковые волны низкой частоты.
Для прослушивания большинства музыкальных треков необходимости в нем нет. Саб нужен для качественного звучания низких частот (басов).
Сабвуферы бывают двух видов:
- Активные — в них уже есть встроенный усилитель мощности;
- Пассивные — усилитель отсутствует и требует дополнительного подключения, чтобы звук на выходе был чистым без искажений и помех.
Пассивный саб по внешнему виду может выглядеть как обычная колонка-динамик больших размеров или короб, в который помещен динамик.
Конструктивно активный саб состоит из следующих элементов:
- корпус — деревянный или пластиковый;
- динамик низких частот;
- регулятор сигнала;
- усилитель;
- регулятор частоты сигнала.
Это интересно: Как телефон подключить к магнитоле в машине всеми способами
Для качественного звука активный саб необходимо правильно подключить к магнитоле.
Типы сабвуферов по конструкции:
- Рупорный — тип имеет свернутый рупор-динамик, используется на концертах;
- Закрытый — представляет собой динамик, установленный внутри и плотно прилегающий к стенкам закрытого ящика;
- Фазоинвентор — тип с использованием вентиляционной трубы, из которой под силой звуковых волн выходит воздух вместе с низкочастотным звуком;
- Четвертьволновой резонатор — акустика с тоннельным оформлением, тоннель-труба, заданной длины и размером поперечного сечения, через который выходит звук;
- Бендпасс — ящик с фазоинвентором, разделенный посередине стенкой на две камеры, разные в объеме, динамик помещен в перегородке между ними.
Нужен ли усилитель для саба?
Сабы, продающиеся сегодня в магазинах, обычно оснащаются встроенными усилителями, если же усилка нет, то его надо будет ставить дополнительно. Использование усилителя актуально при установке и подключении пассивного сабвуфера к автомагнитоле. Такой саб представляет собой низкочастотный динамик, который обычно устанавливается в деревянный корпус, что позволяет улучшить акустические характеристики устройства. А это, в свою очередь, дает возможность получить наиболее мощные низкие частоты на выходе.
По мнению многих специалистов, лучше использовать отдельный усилитель, чем встроенный в сабвуфер. Если говорить об активных сабах, то такие устройства имеют свои достоинства — его без проблем можно самостоятельно подключить к магнитоле в автомобиле напрямую, при этом качество воспроизведения треков будет довольно высоким (автор видео — канал Как-То Так).
Подключение саба к магнитоле через усилитель
Чтобы подключить СБВ к автомагнитоле понадобится набор инструментов и материалов:
- нож;
- набор отверток и ключей;
- пассатижи и кусачки;
- изолента;
- предохранители;
- конденсатор;
- крепежи-расходники (гайки/болты);
- кольца-уплотнители;
- проводка («тюльпаны», акустический кабель, питание).
Важно: перед подключением обязательно необходимо отсоединить от аккумуляторной батареи клеммы во избежание коротких замыканий.
Процесс подключения
Выбирается место в автомобиле для монтажа устройства. В зависимости от модели и размера это будет багажник или полость под задним сидением авто.
Теперь необходимо проложить силовой кабель от АКБ из-под капота к месту, где будет установлен усилитель и саб в багажном отсеке. Соединительные провода от магнитолы к усилителю прокладываются тем же путем.
Далее подключаем «черный» и «красный» провод в «-» и «+» контакты усилителя соответственно.
Когда усилитель запитан, его подключают к автомагнитоле, для этих целей подойдут обычные RCA провода — «тюльпаны» и провод питания (обычно «синий»).
Теперь аккуратно нужно снять магнитолу при помощи отвертки и ножа.
Затем к магнитоле подключаются «тюльпаны» по цветам проводов-соединителей. Чтобы саб включался одновременно с автомагнитолой можно сразу подключить «+» — провод питания.
Соединительные RCA-провода подключаются к портам усилителя согласно полярностей. Также подсоединяется силовой кабель питания.
В полученную схему соединения вставляется дополнительный предохранитель для защиты от скачков напряжения и коротких замыканий. Лучше если он будет установлен рядом с АКБ, чтобы его легко было поменять.
Далее провода подключаются к магнитоле в линейные выходные разъемы (ЛВ), а противоположный их конец в разъем LINE-IN усилителя.
Рекомендация: Чтобы избежать скачков напряжения в электросети авто, специалисты советуют дополнительно установить конденсатор на цепь. Этого делать не обязательно если мощность саба ниже 350 Вт.
Совет: чтобы звук был качественным и воспроизводился без помех в соединениях рекомендуется использовать акустические провода с толщиной сечения от 4 мм.
Схемы подключения сабвуфера к штатной магнитоле, активного и пассивного, с усилителем и без
Схемы подключения активных и пассивных сабвуферов к штатной магнитоле, с усилителем и без него
Итак, вы решили разнообразить аудиосистему в своем автомобиле с помощью такого не хитрого устройства как сабвуфер. Если вы его еще не приобрели, то вам следует знать, что сабвуферы бывают разные, активные и пассивные. Пассивные усилителем не обладают, а активные же сабвуферы — со встроенным в корпус усилителем звука, он нужен для того, чтобы ваша магнитола не надорвала кишки и не крякнула раньше времени от непомерной нагрузки, возложенной даже самым простым и маломощным сабвуфером на ее хрупкие плечи. Да и качетственный звук от саба можно получить лишь с усилителем. Так, значит, активный сабвуфер — с усилителем в комплекте, пассивный — без такового. Далее, нам следует разобраться, как мы будем подключать сабвуфер (или же усилитель звука) непосредственно к магнитоле. Если у магнитолы есть RCA — выходы, то есть тюльпаны, то проблем с подключением возникнуть не должно. Но так уж повелось, что на совсем уж бюджетных штатных головных устройствах зачастую выходы на тюльпаны тю-тю, отсутствуют. Как же быть? Выход, конечно же, есть. И это не покупка новой магнитолы. Это подключение саба и усиля через линейный преобразователь, или конвертор уровней. Подробнее обо всем при рассмотрении схемм:
Подключение активного сабвуфера к магнитоле.
А такая схема имеет место при подключении пассивного сабвуфера к магнитоле через усилитель.
Как видите, ничего сложного на самом деле и нет. Самое сложное в этом деле — это тянуть провода под обшивкой машины. Все это, конечно же, замечательно, но что же делать тем, у кого нет линейных выходов на магнитоле (тех самых тюльпанов)? Что же делать им? Если желаете оставить штатную магнитолу, которая так хорошо вписывается в интерьер автомобиля, тогда вам следует прикупить линейный преобразователь и подключить усилитель или сабвуфер к штатной магнитоле с его помощью! А делается это вот так:
Схема подключения сабвуфера к штатной магнитоле с помощью линейного преобразователя.
Здесь дело обстоит так — линейный преобразователь мы подключаем к магнитоле (ГУ) через динамики, правый и левый соотвтетсвенно. Далее, усилитель мощности мы, через тюльпанчики подключаем не к магнитоле, а уже к линейному преобразователю (или конвертору уровней, вы же помните, да?). Плафон здесь, ничто иное, как включатель, ведь соединили мы на схеме магнитолу и усилитель через провод ACC. Это нужно, чтобы усилитель понимал, когда ему надо включаться. Это, конечно, сложный путь и гораздо проще подключить его через Remote или просто REM. Конденсатор, кстати, тоже применять совсем не обязательно.
Если у вас вызывает сложности подключение линейного преобразователя к магнитоле, то вот вам видео — пример, как это все можно осуществить:
Схемы подключения савуфера к магнитолам авто различных марок
Здесь мы рассмотрим схему подключения сабвуфера к штатным магнитолам автомобилей таких марок как: Ford, Lada, Hyundai, Kia, Renault, Skoda, Mazda, Toyota, Mitsubishi, Volkswagen, Datsun и для других авто. Просто штатные магнитолы в авто этих марок самые универсальные.
Подключение сабвуфера к штатной магнитоле Форд Фокус (пример) 6000CD, на других будет выглядеть примерно так же, необходимо лишь найти выходы на динамики и обзавестись линейным преобразователем, если у вашей магнитолы, как и штатной магнитолы Форд Фокус 2, нет линейного выхода:
1) Подключаем линейный преобразователь в эти вот места (на желтую метку внимания не обращаем, она нужна только если подключать саб напрямую, но мы так делать крайне не советуем!):
2) Далее, все как на уже представленной выше схемме:
Далее, схемы подключения сабвуфера к магнитолам разных марок авто:
Renault Duster (Logan, Sandero, Megan и д.р.), Lada Priora (Веста, Гранта, Ларгус, Нива) и Datsun:
Hyundai Solaris и Kia Rio:
Подключение сабвуфера к штатной магнитоле Toyota:
Подключение сабвуфера к штатной магнитоле Mazda:
Подключение сабвуфера к штатной магнитоле автомобилей Volkswagen и Skoda (Все VAG’и):
Подключение сабвуфера к штатной магнитоле Mitsubishi (Лансер 10, 9 и другие модели):
Видео подключения сабвуфера к магнитоле
Ну и для наглядности, вот видео о том, как подключить сабвуфер к штатной магнитоле (пример — Солярис и Рио)
Еще о подключении сабвуфера к штатной магнитоле машины
Хочется так же сказать в заключение, что какой бы способ вы не избрали, какими бы комплектующими не пользовались, дорогими, или дешевыми. Всегда соблюдайте технику безопасности! Никогда не работайте не защищенными изоляцией проводавми! Всегда отключайте клеммы от аккумулятора при работе с автомобильными токами! Снимайте кольца и браслеты (работайте в резиновых перчатках, если кольцо не снять), дабы не замкнуть ими случайно какой-либо контакт! Будьте осторожны и аккуратны — это залог успешной установки любой автомобильной техники, в том числе сабвуферов и усилителей! Очень желаем вам успеха в подключении сабвуферов и усилителей к штатным магнитолам. Мы очень постарались собрать для вас исчерпывающую, нужную информацию, надеемся, вам она была полезна! Еще раз — успехов и до встречи на страницах нашего сайта!
Примеры схем для соединения активного и пассивного сабвуферов
Обратите внимание, что не во всех автомагнитолах есть ЛВ. Как правило, в заводских моделях этот разъем отсутствует.
В таких случаях рекомендуется для подключения пассивного саба дополнительно приобрести специальный переходной адаптер, который подключается к магнитоле, не имеющей ЛВ. В свою очередь сабуфер будет подключен к этому адаптеру. Как это правильно сделать показано в схеме ниже.
Схема подключения актив. саба к автомагнитоле без ЛВ канала через адаптер.
Схема подключения пассив. СБВ через усилитель.
Как подключить сабвуфер без усилителя
- На задней панели автомагнитолы есть два входа, через которые при помощи линейного кабеля соединяется саб и магнитола.
- После подключается питание: силовой кабель прокладывается под обшивкой салона и подсоединяется на «+» — клемму АКБ одним краем, а второй подключается к сабу.
- Минусовой контакт к АКБ «-» клемме и заземляется на корпусе болтовым креплением. Для этих целей край провода заранее должен быть зачищен. Зачистка производится ножом и кусачками.
- Так как питание на АКБ равно 12В, то подключение допустимо только через предохранитель, который устанавливается на силовом кабеле возле аккумулятора.
- Далее прокладываются соединительные RCA-провода от сабуфера через салон и подключаются через разъемы LOW-Input, предварительно зачистив края. Если разъемы в магнитоле нет RCA-разъемов, то можно соединить через HI-Input-разъем.
Важно! Подключая устройство, не спутайте активный с пассивным, помните, что в активном уже есть встроенный усилитель, а в пассивном — он отсутствует, поэтому схемы соединений в обоих случаях разные.
Как установить
Установку магнитолы на Гранту следует делать в то штатное гнездо, которое предусмотрено производителем. После этого происходит монтаж колонок и дополнительных деталей. Наличие заводского коммуникационного жгута обеспечивает максимально быстрое и легкое подключение.
Автомагнитола
Если выбрано головное устройство стандартных размеров, процесс установки магнитолы в Ладу Гранту состоит из следующих шагов.
Чтобы вывести фиксаторы из фронтальной рамки, необходимо подцепить карман-заглушку за его кромки. Штекеры электропроводки осторожно отсоединяют. Корпус перчаточного ящика нужно откинуть. Ограничители хода, установленные вверху задней стенки, выводят из сцепления с приборной панелью. Крышку демонтируют — для этого ее осторожно нужно потянуть на себя. Для протягивания кабеля к проигрывателю следует приподнять напольное декоративное покрытие в автомобиле, которое расположено рядом с сиденьем пассажира. Штатные салазки, необходимые для установки головного устройства, устанавливают с использованием отгибаемых элементов.
Акустика
После того как удалось установить магнитолу в штатный разъем, требуется установка колонок. В автомобилях Лада Гранта лифтбек с базовой комплектацией предусмотрена штатная проводка для акустики. Она проложена под декоративной обшивкой дверей.
Расположить колонки стоит в дверях. Для этого в металлическом каркасе дверей на Лада Гранта уже есть отверстия диаметром 16 см. Однако в обшивке предусмотренных для этого отверстий нет — автовладельцу нужно будет сделать их самостоятельно. При этом диаметр отверстия в обшивке должен равняться размеру диффузора.
После установки кольцо динамика следует закрепить на обшивке с помощью винтов. Верх закрывают декоративной сеткой.
В ходе установки могут возникнуть некоторые сложности. Когда автовладелец решил поставить колонки, у которых диаметр не превышает показатель 13 см, нужно будет “нарастить” недостающую плоскость. При выборе передних динамиков для Lada granta liftback мастера советуют отдавать предпочтение тем моделям, у которых металлическая решетка и пластиковая рамка имеют минимальный выступ над поверхностью двери. В противном случае могут возникнуть сложности с открыванием вещевого ящика.
Задние динамики автолюбитель может выбрать компактные или увеличенные. В последнем случае их встраивают в полку багажного отделения. Защищают диффузоры при таком расположении оригинальные сетки — их предлагает автозавод.
Проблемы, с которыми можно столкнуться при подключении
При подключении устройства могут возникнуть следующие трудности:
- В заводской автомагнитоле обычно нет специального аудиоразъема под усилитель — решается путем покупки специального адаптера-переходника;
- Настройка и соотношение низких и высоких частот с главной акустикой авто.
Обратите внимание: для правильного подключения саба к автомагнитоле необходимо обладать базовыми знаниями в электротехнике. В ином случае лучше обратиться в автосервис за помощью специалистов.


















